锘军!DOCTYPE html PUBLIC "-//W3C//DTD XHTML 1.0 Transitional//EN" "http://www.w3.org/TR/xhtml1/DTD/xhtml1-transitional.dtd">
鑰佹棫鏋剁┖钂告苯淇濇俯绠$綉鏀归€犳渚嬪垎鏋忺/strong>
娼樺瓨涓氥€佹潹鏅轰附銆佹潕寰锋亽銆佺帇娴峰埄銆佸崲闆ㄨ悓
娌冲寳鍚涗笟绉戞妧鑲′唤鏈夐檺鍏徃
鎽樿锛欬/strong>鑷笂涓栫邯鍏崄骞翠唬渚涚儹淇濇俯绠¢亾鐢卞浗澶栧紩杩涘浗鍐呭凡缁忔湁30浣欏勾鍘嗗彶锛屾棭鏈熺殑淇濇俯绠¢亾鍦ㄤ繚娓╃粨鏋勮璁″拰绠¢亾鏂藉伐涓繕瀛樺湪涓€浜涗笉瓒筹紝鐜板湪鍥藉唴鏈夊ぇ閲忎娇鐢?/span>10骞翠互涓婄殑鑰佹棫绠¢亾鍦ㄦ€ц兘涓婂凡缁忎笉鑳芥弧瓒充娇鐢紝瀛樺湪鐑崯澶卞ぇ锛屽畨鍏ㄦ€т綆绛夐棶棰橈紝鑰佹棫绠$綉鐨勬敼閫犳槸鍔垮湪蹇呰鐨勪竴椤瑰ぇ宸ョ▼锛屾湰鏂囨牴鎹疄闄呮敼閫犳渚嬭鏄庤€佹棫鏋剁┖钂告苯淇濇俯绠$綉鍦ㄦ敼閫犺繃绋嬩腑鐨勬敞鎰忎簨椤瑰拰鏀归€犱紭鍖栨柟妗堬紝瀵硅涓氬唴鎶€鏈汉鍛樻湁涓€瀹氱殑鍙傝€冩剰涔夈€侟/span>
鍏抽敭璇嶏細鏋剁┖钂告苯淇濇俯绠¢亾銆佽€佹棫绠$綉鏀归€犮€佺儹鎹熷け銆佹俯闄嶃€佸帇闄
涓€銆?!--[endif]-->椤圭洰璁捐鍙傛暟锛
1.宸ヤ綔绠★細DN350
2.娓╁害锛欬/span>260鈩冿紙鍏ュ彛锛夛紝澶т簬220鈩冿紙鍑哄彛锛堻/span>
3.宸ヤ綔鍘嬪姏锛欬/span>0.8MPa锛堝叆鍙o級锛屽ぇ浜嶞/span>0.6MPa锛堝嚭鍙e彛锛夛紝
4.绠$嚎闀垮害锛欬/span>3km
5.鐜娓╁害11.5鈩傸span>锛汓/span>
6.骞村钩鍧囬閫烖/span>2.3m/s锛汓/span>
7.鐑崯澶辫姹傦細銆婂伐涓氳澶囧強绠¢亾缁濈儹宸ョ▼璁捐瑙勮寖銆婞/span>GB50264-2013甯稿勾骞磋繍琛岀儹鎹熷け灏忎簬绛変簬52W/m2锛
8.璁捐浣跨敤瀵垮懡涓裹/span>15骞淬€侟/span>
浜屻€佸伐绋嬬幇鐘
1.娓╅檷鎯呭喌锛氾細260鈩冿紙鍏ュ彛锛夛紝180鈩冿紙鍑哄彛锛夛紝娓╅檷杈惧埌100鈩冿紱
2.鍘嬮檷鎯呭喌锛欬/span>0.8MPa锛堝叆鍙o級锛孅/span>0.66MPa锛堝嚭鍙o級锛岀鍚堣璁¤姹傦紱
3.鍘熸湁淇濇俯绠¢亾閲囩敤涓夊眰纭呴吀閾濋拡鍒烘浣滀负淇濇俯鏉愭枡锛屽師璁捐鏂藉伐淇濇俯鍘氬害涓裹/span>150mm锛岀幇涓婂眰鍘氬害骞冲潎涓裹/span>90mm锛屼笅灞傚帤搴﹀钩鍧囦负176mm锛屼笖鍛堢幇涓嶅潎鍖€褰㈡€侊紱
4.澶栨姢灞備负闀€閿岄挗鏉匡紝淇濇俯鏉愭枡鍘嗘椂骞翠箙锛屼繚娓╂晥鏋滃樊锛屽父骞寸儹鎹熷け骞冲潎涓裹/span>216W/m2锛屾€绘俯闄嶄负80鈩冿紝绠$綉宸蹭笉鑳芥弧瓒充娇鐢ㄨ姹傘€侟/span>
5.绠¢亾宸叉湇褰更/span>8骞淬€侟/span>
涓夈€佸師鍥犲垎鏋
閽堝鐜扮姸锛屽垎鏋愰€犳垚鐑崯澶у拰娓╅檷澶х殑鍘熷洜鏈変互涓嬪嚑鐐癸細
1.鏈伐绋嬩负鏋剁┖绠¢亾锛岀鎵楛/span>4-5m涓€涓紝涓旂鎵樹笌宸ヤ綔绠$洿鎺ョ剨鎺ワ紝鏃犻殧鐑繚娓╂帾鏂斤紝宸ヤ綔绠¢亾涓庣鎵樺舰鎴愮儹妗ユ槸閫犳垚鐑崯澶辩殑涓€鏂归潰鍘熷洜銆侟/span>
2.璇ュ伐绋嬩繚娓╃閬撳師浣跨敤淇濇俯灞備负涓夊眰纭呴吀閾濋拡鍒烘锛屼笂杩版潗璐ㄥ鐑郴鏁拌緝楂橈紝淇濇俯鏁堟灉杈冨樊锛屼笖淇濇俯鍘氬害涓嶈冻锛岄暱璺濈浣跨敤鐑崯杈冨ぇ锛屾槸閫犳垚鐑崯澶卞ぇ鐨勪竴鏂归潰鍘熷洜銆侟/span>
3.杞川鏃犳満淇濇俯鏉愭枡浣跨敤鏃堕棿闀匡紝鍦ㄨ嚜閲嶅拰姘村垎浣滅敤涓嬩骇鐢熶弗閲嶇殑涓嬫矇锛屽舰鎴愪笂鍗婇儴鍒嗚杽锛屼笅鍗婇儴鍒嗗帤锛屼繚娓╃粨鏋勯伃鍒扮牬鍧忔槸閫犳垚绠$綉鐑崯澶卞ぇ鐨勫師鍥犱箣涓€銆侟/span>
4.椤圭洰澶勪簬娌挎捣鍦板尯锛屾捣椋庝腑姘瀛愬惈閲忛珮锛屽鎶ら晙閿岄搧鐨澶勯攬铓€鎹熷潖涓ラ噸锛岋紙绠¢亾搴曢儴灏や负涓ラ噸锛夐€犳垚淇濇俯鏉愭枡杩涙按锛屼繚娓╁ぇ闈㈢Н澶辨晥鏄€犳垚绠$綉鐑崯澶卞ぇ鐨勪富瑕佸師鍥犮€侟/span>
5.绠$綉缁堢鍘熻璁$敤鎴蜂负4瀹朵紒涓氾紝鐢ㄦ皵閲忎负40T/h,鑰屽疄闄呴暱鏈熺敤姘旂殑鍙湁涓€瀹朵紒涓氾紝鐢ㄦ皵閲忎负8T/h锛屼笖涓洪棿姝囨€т緵姘旓紝姝ら」鏄€犳垚绠$綉娓╅檷杩囧ぇ鍜岀儹鎹熷け澶х殑涓昏鍘熷洜涔嬩竴銆侟/span>

鍥近/span>1 鑰佹棫绠¢亾鍥近/span>
鍥涖€佹敼閫犳柟妗圏/strong>
1.灏嗗師鏈夎€佹棫淇濇俯鎷嗛櫎锛屾鏌ョ閬撳悇绠′欢鐨勪娇鐢ㄩ攬铓€鍜岀(鎹熸儏鍐点€
2.閲囩敤闅旂儹绠℃墭浠ュ噺灏戞敮鏋剁殑鏁g儹鎹熷け锛屽叾姣旀櫘閫氱鎵樼殑鏁g儹鎹熷け瑕佸噺灏戠害35%-40% [1] 锛屾湰鏂规璁捐鏇存崲绠℃墭锛屾媶闄ゅ師鏈夌鎵橈紝鏇存崲鍏锋湁绾崇背姘斿嚌鑳堕殧鐑繚娓╁眰锛屾柊鍨嬮殧鐑粦鍔?瀵煎悜/鍥哄畾绠℃墭锛屽湪浜夊彇鍘熻璁¢櫌鎰忚锛屽皢绠℃墭闂磋窛澧炲ぇ锛屽幓闄や笉蹇呰绠℃墭锛屼互鍑忓皯杈冨ぇ鐑崯澶辩偣鏁伴噺锛岀患鍚堣€冭檻绠¢亾浣跨敤骞撮檺鍜岄攬铓€鎯呭喌锛岀鎵橀棿璺濇敼涓?2m銆傦紙绠℃墭楂樺害涓庡師鏈夌鎵樹繚鎸佷竴鑷达級
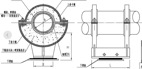
3.鍒╃敤鏂颁繚娓╂潗鏂欓噸鏂颁繚娓╋紝鑰冭檻杞川淇濇俯鏉愭枡瀛樺湪鑷噸涓嬫矇锛屽鏄撲娇绠¢亾涓婂崐閮ㄥ垎淇濇俯钖勪笅鍗婇儴鍒嗗帤锛屼繚娓╂晥鏋滃彉宸紝鍏蜂綋缁撴瀯锛
绗竴灞傦細纭呴吀閾濋拡鍒烘未=50mm锛岃€愰珮娓╅摑绠斿弽灏勫眰
甯﹁€愰珮娓╂敮鏋剁殑涓嶉攬閽㈡墦鍖呭甫锛岀鎵樺湪涓嶉攬閽㈡墦鍖呭甫鐜悜涓婂崐閮ㄥ垎姣?00mm璺濈璁剧疆涓€涓紝绠℃墭楂樺害15mm锛屽甫鑰愰珮娓╃鎵樼殑涓嶉攬閽㈡墦鍖呭甫闂磋窛涓?00mm锛
绗簩灞傦細娆ф枃鏂瀹佽秴缁嗙幓鐠冩未=50mm锛岃€愪腑娓╅摑绠斿弽灏勫眰锛
甯﹁€愰珮娓╂敮鏋剁殑涓嶉攬閽㈡墦鍖呭甫锛岀鎵樺湪涓嶉攬閽㈡墦鍖呭甫鐜悜涓婂崐閮ㄥ垎姣?00mm璺濈璁剧疆涓€涓紝绠℃墭楂樺害15mm锛屽甫鑰愰珮娓╃鎵樼殑涓嶉攬閽㈡墦鍖呭甫闂磋窛涓?00mm锛
绗笁灞傦細娆ф枃鏂瀹佽秴缁嗙幓鐠冩未=50mm锛屾櫘閫氶摑绠斿弽灏勫眰锛屼笉閿堥挗鎵撳寘甯︼紱
绗洓灞傦細澶栨姢闀€閿岄挗鏉课除0.8mm
鍥?绠¢亾淇濇俯缁撴瀯鍥
鍥?淇濇俯婊戝姩绠℃墭缁撴瀯鍥
4.鑰冭檻椤圭洰浣嶄簬娌挎捣鍦板尯锛岀┖姘斾腑AL+鍚噺楂橈紝鍔犻€熶簡闀€閿岄挗鏉垮鎶ゅ眰鐨勮厫铓€閫熷害锛屾柟妗堣璁″湪闀€閿岄挗鏉垮鎶ゅ眰澶栬〃闈㈠柗娑傞槻鑵愬洓姘熸紗锛岄槻鑵愭秱灞傚疄骞插帤搴﹀ぇ浜庣瓑浜?0渭m锛屼繚璇佸鎶ゅ眰鍦ㄦ伓鍔g幆澧冧笅浣跨敤瀵垮懡杈惧埌20骞翠互涓婏紱
5.钂告苯鍒濆鍙傛暟缁存寔涓嶅彉鐨勬儏鍐典笅銆傝捀姹芥祦閲忎笌绠¢亾娓╅檷鎴愬弽姣擺2]鏍规嵁鍘熻璁¤捀姹芥祦閲忓拰瀹為檯鐢ㄦ皵閲忎綔姣旇緝锛岃璁℃祦閲忎负40T/h锛岃€屽疄闄呬娇鐢ㄩ噺涓?T/h锛岃繖绉嶆儏鍐典笅浣跨敤DN350鐨勮捀姹戒繚娓╃浼氶€犳垚杈冨ぇ鐑崯澶憋紝閫犳垚涓嶅繀瑕佺殑鑳芥簮娴垂锛涗笖鐜版湁鐢ㄦ埛涓洪棿姝囨€х敤姘旓紝钂告苯鐨勫惎鍋滃張杩涗竴姝ュ姞鍓х儹鑳界殑鎹熷け銆傝€冭檻鍚庢湡婊¤礋鑽疯繍琛屽伐鍐碉紝涓嶈兘灏咲N350绠″緞鐨勭缃戣繘琛屾洿鎹紝閴翠簬浠ヤ笂锛屾垜浠璁′竴鏉℃梺璺緭閫佺閬擄紝鏍规嵁鐜版湁宸ュ喌鍙傛暟缁忚繃璁$畻鍚庡緱鍑篋N100淇濇俯绠¢亾鏃㈡弧瓒宠姹傦紝鏂扮閬撹璁″湪鑰佹棫绠¢亾涓€娴嬶紝涓庤€佹棫绠¢亾鍏辩敤涓€濂楃鎵橈紝鍦ㄧ幇宸ュ喌涓嬪叧闂璂N350绠¢亾锛屼娇鐢―N100淇濇俯绠′綔涓鸿捀姹借緭閫佺閬擄紝鍚庢湡婊¤礋鑽疯繍琛屼娇鐢―N350绠¢亾杈撻€佽捀姹斤紝鑰孌N100姝ゆ椂浣滀负鍥炴按绠′娇鐢紝鍥炴敹鍐峰嚌姘达紝鍐嶆浣跨敤锛岃妭绾︿簡姘磋祫婧愩€
浜斻€佹柟妗堝疄鏂藉悗鐨勬晥鏋淈/strong>
椤圭洰鏀归€犲畬鎴愮粡杩囦竴骞磋繍琛岋紝鏍规嵁姘村姏璁$畻寰楀嚭缁撹濡備笅锛欬/strong>
1.娓╅檷鍜屽帇闄嶈绠
鍥?姘村姏璁$畻鍥
琛?鏀归€犲悗娓╅檷鍜屽帇闄嶈绠楄〃
缁间笂锛屾俯闄嶅拰鍘嬮檷婊¤冻瑕佹眰
2.鐑崯澶辫绠
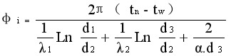
纭呴吀閾濋拡涓濇淇濇姢灞傜殑瀵肩儹绯绘暟锛毼? =0.044+0.0002脳(Tm-70)
娆ф枃鏂瀹佽秴缁嗙幓鐠冩瀵肩儹绯绘暟锛毼?=0.034+0.00017(Tm-70)
閫氳繃寮?鏍哥畻钂告苯绠¢亾鏁g儹鎹熷け閲廩3] 锛岄獙璇佺儹鎹熷け鏄惁绗﹀悎瑕佹眰銆
寮忎腑锛
蠁i鈥斺€斿崟浣嶉暱搴︽暎鐑崯澶憋紝W/m
位鈥斺€斿鐑郴鏁帮紝W/锛坢.鈩冿級
t鈥斺€旀俯搴︼紝鈩冿級
d鈥斺€旂洿寰勶紝m
伪鈥斺€旇〃闈㈡暎鐑郴鏁帮紝鍙栧€积11.63W/锛坢2.鈩冿級
n琛ㄧず钂告苯骞冲潎娓╁害锛泈琛ㄧず澶ф皵娓╁害锛?-3琛ㄧず淇濇俯鏉愭枡
缁忚绠楋紝钂告苯鏁g儹鎹熷け閲忎负36.25/銕★紝鐑崯澶辨弧瓒宠姹傘€
鍥近/span>5 鏀归€犲悗淇濇俯绠¢亾
鍏€?/strong>缁撹
1.鏋剁┖钂告苯淇濇俯绠¢亾閲囩敤闅旂儹绠℃墭浠ュ噺灏戞敮鏋朵綅缃殑灞€閮ㄦ暎鐑崯澶憋紝鏁g儹鎹熷け瑕佸噺灏戠害35%-40% 锛
2.甯﹁€愰珮娓╂敮鏋剁殑涓嶉攬閽㈡墦鍖呭甫鐨勪娇鐢ㄨ兘鏈夋晥鐨勯闃茶蒋璐ㄤ繚娓╂潗鏂欏洜鑷噸浜х敓鐨勪笅娌夌幇璞★紝閬垮厤浜嗕繚娓╃閬撲繚娓╁眰涓婇儴鍒嗚杽锛屼笅閮ㄥ垎鍘氾紝澶уぇ寤堕暱淇濇俯缁撴瀯浣跨敤瀵垮懡锛
3.鏋剁┖钂告苯淇濇俯绠¢亾澶栨姢灞傞槻鑵愰渶瑕佹牴鎹笉鍚屽尯鍩熷埗瀹氫笉鍚岀殑闃茶厫鏂规锛屽湪娌挎捣鍦板尯灏遍渶瑕佸仛鑰愰吀纰遍噸闃茶厫锛
4.绠$綉璁捐鍓鍒颁綔涓鸿捀姹借緭閫佷娇鐢紝鍦ㄧ幇鏈夊伐鍐典笅澶уぇ闄嶄綆浜嗙閬撶儹鎹熷け锛屼繚璇佺粓绔敤鎴蜂娇鐢ㄥ弬鏁帮紝鑺傜害鑳芥簮锛屽悓鏃跺湪鍚庢湡婊¤礋鑽峰伐鍐典笅锛屽壇绠″彲浠ヤ綔涓哄洖姘寸浣跨敤锛岃妭绾︽按璧勬簮
[1]涓佸阀鑺?娴呰皥闅旂儹绠℃墭鍦ㄨ捀姹藉伐绋嬩腑鐨勫簲鐢ㄦ晥鏋 [J].浼佷笟鎶€鏈紑鍙戯紝2015,34锛?5锛夛細53.
[2]寮犲叏鏂?瓒呴暱璺濈钂告苯渚涚儹鎶€鏈帰鏋怺J].鍖哄煙渚涚儹锛?008锛?锛?14-118.
[3]GB50264-2013,宸ヤ笟璁惧鍙婄閬撶粷鐑伐绋嬭璁¤鑼僛S].鍖椾含锛氫腑鍥藉嚭鐗堢ぞ锛?013.